Søkeresultat
Ingen treff
Kategorier
Produkter
Filtrer
FILTRER PRODUKTENE
Kategori
Merke
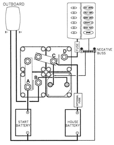
BEP Batteriladekontroll komplett, vertikal
- Produktnummer:
- 1010658
- Originalnummer:
- 716-V-140A-DVSR
- Enhet:
- Stk
- Veil. pris:
- kr. 3 390,- inkl. mva.
Batteriladekontroll komplett for 1 motor og 2 batterier. Med dette systemet riktig oppkoblet er man alltid sikret strøm til start av motoren. Automatisk lading av start og forbruks-batterier og alle spenningsfølsomme installasjoner ombord er sikret mot overspenning og spenningsfall. Utstyrt med mulighet for parallellkobling i nødstilfelle. Prodnr. 1010655 er helt lik bortsett fra at bryterne er organisert som et kvadrat.
Installasjonsguide (pdf)
Koplingsskjema (jpg)
Installasjonsguide (pdf)
Koplingsskjema (jpg)
Hvis du som privatperson vil handle fra vårt sortiment eller ønsker ytterlige produktinformasjon må du kontakte din lokale forhandler direkte:
Finn forhandler